This is the Online Practice Quiz in Diode Applications Part 5 from the book, Electronic Devices and Circuit Theory 10th Edition by Robert L. Boylestad. If you are looking for a reviewer in Electronics Engineering this will definitely help. I can assure you that this will be a great help in reviewing the book in preparation for your Board Exam. Make sure to familiarize each and every questions to increase the chance of passing the ECE Board Exam.
Continue Part V of the Online Practice Quiz
Quiz in Diode Applications
Question 41. For the "off" state of a Zener diode, the voltage across the diode should be _____.
Question 42. The dc voltage level of a silicon diode is _____ its ideal model.
Question 43. The ratio of the total swing of the output of a clamper to its input total swing is _____.
Question 44. The quiescent point (Q-point) is defined by a(n) _____.
Question 45. A germanium diode is approximated by _____ equivalent for voltages less than 0.3 V.
Question 46. With the Zener diode in the "on" state, increasing IL will _____ IZ and _____IR.

Question 47. For the ideal diode the transition between states will occur at the point on the characteristic curve when VD = _____ V and ID = _____ A.
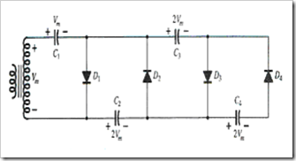
Question 48. In this voltage multiplier, measuring from the top of the transformer winding will provide _____ multiples of Vm at the output, whereas measuring the output voltage from the bottom of the transformer will provide _____ multiples of the peak Vm.

Question 49. Once the Zener diode is in the "on" state, VZ is always _____ VL.

Question 50. The PIV rating of the diodes in a full-wave rectifier must be larger than _____ Vm. |
More Practice Quiz in Diode Applications
Practice Quiz Part 1
Practice Quiz Part 2
Practice Quiz Part 3
Practice Quiz Part 4
Practice Quiz Part 5
Practice Quiz Part 6
See: Complete List of Practice Quizzes
Note: After taking this particular quiz, you can proceed to check all the topics.
Post a Comment