This is the Online Practice Quiz in Field Effect Transistor Amplifiers Part 4 from the book, Electronic Devices and Circuit Theory 10th Edition by Robert L. Boylestad. If you are looking for a reviewer in Electronics Engineering this will definitely help. I can assure you that this will be a great help in reviewing the book in preparation for your Board Exam. Make sure to familiarize each and every questions to increase the chance of passing the ECE Board Exam.
Continue Part IV of the Online Practice Quiz
Quiz in Field Effect Transistor Amplifiers
Question 31. A BJT is a ________-controlled device.
Question 32. An FET is a ________-controlled device.
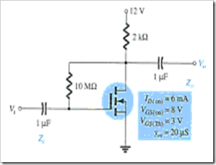
Question 33. Referring to this figure, calculate Zi if rd = 19 kΩ.

Question 34. Referring to this figure, calculate Zi for yos = 20 µS. Assume VGSQ = −2.2V.

Question 35. If ID = IDSS / 2, gm = ___________ gmo.
Question 36. _____ is the amplification factor in FET transistor amplifiers.
Question 37. _____ is the network-input impedance for a JFET fixed-bias configuration.
Question 38. _____ configuration(s) has (have) Zo ≈ RD.
Question 39. The _____ is quite popular in digital circuits, especially in CMOS circuits that require very low power consumption.
Question 40. _____ is the only parameter that is different between voltage-divider and fixed-bias configurations. |
More Practice Quiz in Field Effect Transistor Amplifiers
Practice Quiz Part 1
Practice Quiz Part 2
Practice Quiz Part 3
Practice Quiz Part 4
Practice Quiz Part 5
Practice Quiz Part 6
See: Complete List of Practice Quizzes
Note: After taking this particular quiz, you can proceed to check all the topics.
Post a Comment