This is the Online Practice Quiz in Field Effect Transistor Amplifiers Part 1 from the book, Electronic Devices and Circuit Theory 10th Edition by Robert L. Boylestad. If you are looking for a reviewer in Electronics Engineering this will definitely help. I can assure you that this will be a great help in reviewing the book in preparation for your Board Exam. Make sure to familiarize each and every questions to increase the chance of passing the ECE Board Exam.
Start Part I of the Online Practice Quiz
Quiz in Field Effect Transistor Amplifiers
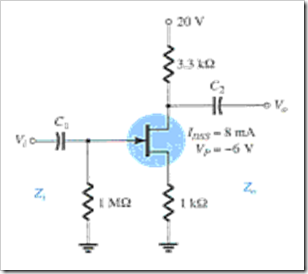
Question 1. Referring to this figure, calculate Av if yos = 20 µS.
Question 2. Referring to this figure, calculate Zo if yos = 40 µS.

Question 3. Referring to this figure, obtain gm for ID = 6 mA.

Question 4. Where do you get the level of gm and rd for an FET transistor?
Question 5. Calculate gm and rd if yfs = 4 mS and yos = 15 ΩS.
Question 6. What is the range of gm for JFETs?
Question 7. What is (are) the function(s) of the coupling capacitors C1 and C2 in an FET circuit?
Question 8. Referring to this figure, calculate Zo for VGSQ = –3.2 V.

Question 9. Referring to the following figure, calculate gm for VGSQ = –1.25 V.

Question 10. FET amplifiers provide ________. |
More Practice Quiz in Field Effect Transistor Amplifiers
Practice Quiz Part 1
Practice Quiz Part 2
Practice Quiz Part 3
Practice Quiz Part 4
Practice Quiz Part 5
Practice Quiz Part 6
See: Complete List of Practice Quizzes
Note: After taking this particular quiz, you can proceed to check all the topics.
Post a Comment